【机情无限 精彩毕设】机械2023届毕业设计(论文)中期检查优秀案例分享第三十二期——内轴箱悬挂地铁工程车辆转向架设计及动力学性能分析

学生姓名:陶喆承
班班级级:车辆2019-01班
指导教师:付茂海
毕设题目:内轴箱悬挂地铁工程车辆转向架设计及动力学性能分析


一、概况
1.选题意义
(1)毕业设计背景
随着国内城市轨道交通的快速发展,城市交通的主流逐渐被地铁和轻轨所占据。为了维护地铁和轻轨的正常运行,城市轨道交通工程车成为了城市轨道交通不可或缺的组成部分。为了适应城市复杂狭小的地形和满足城市轨道交通发展的需要,城市轨道交通工程车辆必须具备良好的曲线通过能力,并降低城市轨道交通的维护成本。
轨道车辆运行时,受到来自线路上的冲击、车轮与钢轨间的横向移动、驱动系统的振动、加在作用车体上的风压等,产生了各个方向的振动,有纵向、垂向、点头、横向、摇头和侧滚6种形式。车轮在钢轨上运行时,要求平稳地在直线上运 行和顺畅地通过曲线,减少作用在钢轨和车辆上的应力,这些均与转向架的结构和系统参数的选择有着重要关系。
通过设计轴箱内置转向架,缩短了车轴长度,使得城市轨道交通工程车辆的一系簧下质量减少,结构更加紧凑,改善了车辆曲线通过性能并且降低了轮轨磨耗。内置式转向架在降低基础设施投入、降低线路维护费用、降低车轮质量、降低轮轨作用力等方面具有明显的优势,而且几乎可以涵盖所有应用领域。
目前轴箱内置式转向架技术在国外已成功运用于城市轨道车辆、高速客车和货车上,这充分表明轴箱内置式转向架技术是成熟 、可靠的,具有广阔的应用前景。
(2)研究意义
为了适应城市轨道交通的特点,城市轨道车辆应该尽可能降低转向架的簧下质量,以改善轮轨间的动作用力,减轻轮轨磨耗,降低运行噪声,提高运行品质。通过将轴箱悬挂装置从车轮外侧移至车轮内侧,使转向架的构架成为内支承模式的方式,可以达成以上目标。
内侧轴箱悬挂转向架与外侧轴箱悬挂转向架相比,由于构架支撑于轮对内侧,车轴长度可以缩短近500mm,不但减小了轮对的质量,构架横梁也相应缩短,其质量也相应减轻。因此,内侧轴箱悬挂转向架不仅能减轻转向架的质量、改善车辆运行品质和降低轮轨作用力,同时还可使转向架设计得更加紧凑。内侧轴箱悬挂转向架由于轴箱悬挂的横向跨距大大缩短,有效地降低了轮对的摇头角刚度和转向架的扭曲刚度,因此提高了曲线通过能力和适应线路扭曲的能力,非常适合运行速度较低、线路曲线半径小、坡度和顺坡率较大的城市轨道交通车辆。
2.任务分解
本选题要求提出曲线通过性能优良的内轴箱悬挂工程车辆转向架,对转向架的动力学性能进行分析,对悬挂参数进行优化,并规范绘制转向架工程图和撰写设计说明书。选题的各项任务可以分解为如下子任务:
(1)查找相关文献研究、收集轴箱内置转向架设计资料。翻译外文文献,了解国内外城市轨道车辆发展现状,明确轴箱内置转向架的结构设计方案与优缺点。掌握熟练查找、阅读中外文综合学术和科技文献、相关行业标准的能力。
(2)查阅工程车辆转向架设计及动力学性能分析的资料研究,了解相关技术标准的分析,明确对转向架动力学性能分析的设计方案。培养及提升设计工程机构、规范地表达工程方案的能力,对转向架总体、悬挂装置、构架等复杂工程问题进行建模、分析并提出解决措施。
(3)研究内轴箱悬挂工程车辆转向架的总体设计方案,并建立转向架、悬挂装置、基础制动装置与构架的三维实体模型。学会利用软件进行建模,掌握结构优化方法。
(4)通过建立好的三维实体模型对内轴箱悬挂工程车辆转向架进行动力学性能分析,统计分析结果,并进一步测试优化悬挂参数来提高车辆的相关性能。
(5)绘制转向架总图、轴箱悬挂装置组成图与构架的工程图,合并不少于2张A0图纸的工作量。
(6)汇总内轴箱悬挂工程车辆转向架的设计方案和动力学性能分析结果,完成毕业设计说明书的撰写,要求正文不少于50页。要能够针对技术方案对于社会、健康、安全、法律、文化、自然环境与可持续发展等的影响进行设计,同时能够正确、熟练地运用汉语规范撰写毕业设计说明书及其摘要,并能写作英文摘要。
按照选题目标及任务分解与解决问题的技术思路,规划毕业设计计划如下表所示:
表 1 任务分解计划表


图 1 任务分解甘特图
二、已完成工作
(1)整理前期准备的文献、相关标准等资料,完成设计说明书第一章撰写。
(2)继续查阅国内外报告、专利,并完成了外文翻译工作。

图 2 完成外文翻译工作
(3)经过导师的指导与讨论,确定了内轴箱悬挂地铁工程车辆转向架的总体方案设计:
首先转向架轮对选用了HDSA型LM踏面车轮:


图 3 HDSA型LM踏面车轮参数示意图
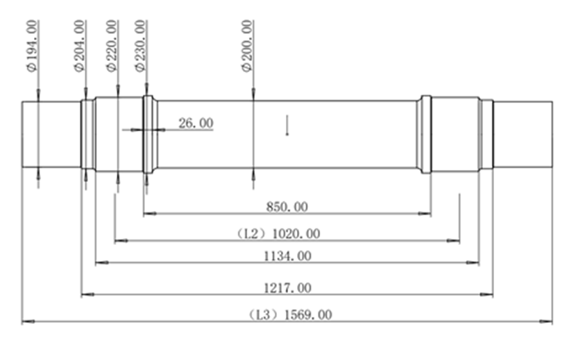
依照RD2车轴尺寸设计缩短后适用于轴箱内置的车轴:


图 4 车轴示意图(左) 轮对示意图(右)
轴箱选用转臂定位的方式,轴承选取型号为352944的双列圆锥滚子轴承,转臂定位节点选取型号为960969的标准化产品:

图 5 转臂轴箱示意图
一系悬挂采用顶置双卷钢弹簧,材料选用60Si2CrVAT,一系静挠度为61mm,并设计了96型号柯尼油压减振器作为一系垂向减振器:

图 6 双卷钢弹簧示意图
转向架构架采用Q355钢板焊接的箱型结构作为侧梁,并选取了外径为152mm,壁厚16mm的无缝钢管作为构架横梁:

图 7 转向架构架示意图
中央牵引连接装置采用Z字牵引拉杆与中心销相结合的方式,牵引拉杆采用十字布置,减小中心销垂向和横向位移的刚度,并设计了02型号柯尼油压减振器作为二系横向减振器:

图 8 中央牵引连接装置
转向架二系悬挂采用橡胶堆结构,保障车体与构架间垂向刚度的同时,利用橡胶堆剪切刚度较小的特点,使转向架可以顺利通过小半径曲线,同时起到吸收垂向的振动能量的目的,二系静挠度是38mm。由于二系悬挂挠度较小,刚度较大,可以根据情况调整转向架左右侧梁上二系支撑力的大小,故无需布置抗侧滚扭杆:

图 9 二系橡胶堆示意图
因时速小于120km/h,转向架制动装置选用UT7(S)型单元踏面制动,制动倍率在3.0左右,将制动梁安装在构架横梁两端,通过螺栓连接单元踏面制动装置挂于构架侧梁的外侧,实现制动功能。

图 10 单元制动器示意图
(4)依照转向架的总体方案设计以及各技术标准和文献案例,设计转向架的结构尺寸参数,并完成了内轴箱悬挂地铁工程车辆转向架的三维模型建立如下图:

图 11 转向架三维模型示意图
(5)整理本学期的工作内容,结合参考文献和相关标准,开始设计说明书第二章转向架总体方案设计以及第三章转向架结构尺寸参数设计。
(6)依照转向架三维模型,使用
工程图功能,开始绘制转向架总图、构架工程图以及轴箱悬挂装置组成图。
(7)依照SolidWorks模型数据,开始建立
动力学分析模型,并完成了轮对模型,建立了合适的轮轨关系如下图所示:

图 12 轮轨接触效果图
(8)依照SolidWorks模型数据,完成了内轴箱悬挂地铁工程车辆的转向架、车体动力学分析模型,模型共有四个轮对、八个转臂轴箱、两个转向架构架和一个车体,总计十五个实体模型组成。其中构架和车体自由度为六,轮对自由度为三,轴箱只有绕车轴点头一个自由度,其中伸缩自由度对车辆运行影响较小,一般可以忽略不记,总计三十五个自由度:
表 2 车辆各实体自由度表
三、下一步工作计划
在完成了转向架总体方案设计和结构尺寸参数设计后,下一阶段以建立转向架的动力学分析模型为主,并展开不同工况下的动力学分析试验,优化转向架悬挂参数提高转向架的曲线通过能力。具体工作安排如下所示:
(1)继续建立并完成内轴箱悬挂地铁工程车辆的
动力学分析模型,重点关注模型不同部件自由度的设立、各部件的位置关系和质量属性,特别注意转向架各悬挂装置的尺寸参数。
(2)建立不同工况下的线路参数,进行动力学分析试验。在考虑线路不平顺时需要包含随机不平顺和局部不平顺。在车辆通过曲线路线时,要充分考虑大小曲线工况的影响,分别进行300m和1200m的曲线工况模拟试验;在车辆通过道岔线路时,需要建立侧向道岔的线路工况来进行模拟试验。
(3)在完成车辆动力学分析模型的建立和不同工况路线参数设计后,通过模拟试验验证该转向架可以实现车辆的正常运营,并优化转向架相关悬挂参数以提高车辆通过小半径曲线的性能。结合动力学分析的试验结果,完成转向架的最终设计。
(4)完善转向架的三维模型,以及转向架总图、构架工程图以及轴箱悬挂装置组成图的绘制。
(5)整理内轴箱悬挂地铁工程车辆
模型、各线路模拟试验分析结果以及相关文献、技术标准,完成设计说明书第四章车辆动力学模型建立、第五章车辆动力学模拟试验。
(6)整理汇总各方资料,
以及
软件模型参数,完成设计说明书的撰写,经由导师检查后准备毕业设计最终答辩的相关事项,完成毕业设计的全部工作内容。

问题一:选题如何体现环境、可持续发展与人文社会因素的情况?
回答:随着城市轨道交通的发展,城市交通的主流逐渐被地铁所占据。为了维护地铁正常运行,工程车成为了城市轨道交通不可或缺的组成部分。由于工程车属于无动力拖车,不用布置驱动装置,可以适当缩短轴距;结合轴向内置技术缩短构架横梁长度,使转向架结构十分紧凑,并完成轻量化要求,提高材料利用率,降低成本。另一方面,转向架选用轴箱悬挂内置技术,轴箱位于轮对内侧,可以阻碍车辆转向架运行过程中的噪声传播,从而减少噪声污染。并且设计过程中尽量选择可焊接结构,增加压制钢板的使用,减少铸造件的使用,从而减少环境污染。
问题二:如何将转向架总体方案落实到具体的结构尺寸参数上?
回答:首先需要查找相关结构的文献、专利和技术标准,了解结构组成和功能原理,并对相关的行业技术要求有初步认识。然后结合转向架设计任务书中的设计要求,选择适合的几何参数,形成封闭的尺寸链。依照选定的几何参数,利用相关公式或原则计算零件的性能参数。最后按照尺寸系列圆整参数后,依靠相关标准对零件的性能参数进行校核。确认无误后完成零件的结构参数设计,开始零件的三维模型建立以及工程图绘制。

首先我要感谢付老师的孜孜教诲,以及同学的互帮互助。如果说四年级的专业课学习给了我新世界的钥匙,那么只有在付老师的指导下,我才真正地推开了车辆工程的大门,对本专业有了粗浅的了解。
在毕业设计的两个月时间里,我学会了如何快速地查找文献、开拓了我的眼界,对铁路车辆特别是转向架部分有了初步的认识;我学习了如何设计转向架、如何计算转向架的结构尺寸,并按照自己设计的方案建立了转向架的三维模型;我掌握了动力学分析软件
的使用,并且可以更加熟练地使用机械三维设计软件
。可以说在毕业设计的过程中,我结合了过往所学习的机械设计、材料力学、机械制图等专业基础课,以及现在了解到的转向架相关文献、技术标准等资料,初步掌握了解决实际问题的能力。
比起学习的专业知识和行业标准,我认为解决实际问题的一般方法和具体步骤才是最珍贵的知识,它能帮助我走的更远、也走的更快。在接下来的时间里,我将继续努力,主动学习,争取优质完成毕业设计工作,使毕业设计作品更加可靠。